С опорным фланцем
Входной вал «Квн»:
Входной вал «Кнар»:
Входной вал «Ц»:
Выходной вал «Квн»:
Выходной вал «Кнар»:
Выходной вал «Ц»:
Продолжая, вы соглашаетесь со сбором и обработкой персональных данных и пользовательским соглашением.
Нашли дешевле?
Оставьте свои контактные данные. Наш менеджер свяжется с вами в ближайшее время.
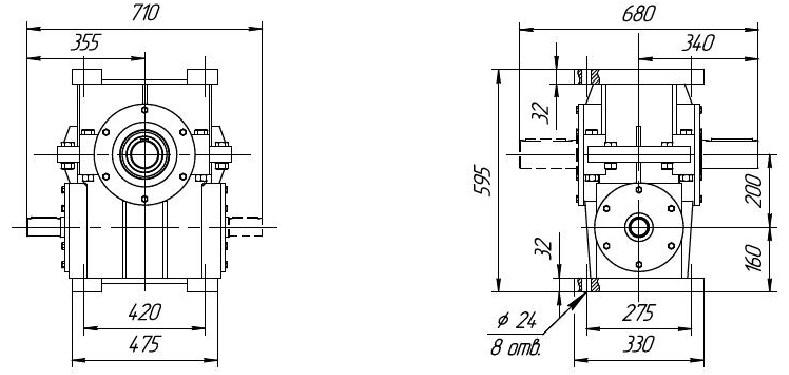
Таблица размеров
Бесплатная консультация
Нажимая на кнопку «Заказать звонок», вы даете согласие на обработку персональных данных.