Ваш город:
Сызрань
Ваш город Сызрань?
Да Выбрать другой
Заказать звонок
Фильтр

Редуктор Ч-160

Описание

Передаточное число, ном. 8 10 12,5 16 20 25 31,5 40 50 63 80
Значение крутящих моментов Мт, Нм 1250 1153 1150 1390 1150 1110 1600 1244 1168 1033 1092
Расчетная мощность на быстроходном валу при частоте вращения 1500 об/мин, кВт 25 18 15 14,4 10 7,7 9 6 4,8 3,3 2,7
Масса, кг не более 182,5

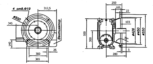
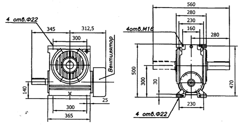
Габаритные и присоединительные размеры редуктора Ч 160

Вариант сборки с опорным фланцем

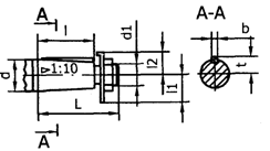
Размеры концов валов редуктора Ч 160

Вал конический

Вал цилиндрический

Вал полый тихоходный шлицевой

Вал полый тихоходный шпоночный

Выходные концы валов L l L1 L2 b d d1 t
Вал быстроходный конический 110 82 28 20 10 40 M24x2-8 20,95
Вал тихоходный конический 140 105 50 40 18 70 М48×3-8d 36,33
Вал быстроходный

цилиндрический

110 12 40 43,0
Вал тихоходный цилиндрический 140 20 70 74,5

Варианты сборки редуктора Ч 160

Варианты сборки (рассматривать при расположении червячной пары – червяк под колесом)

Вариант крепления редуктора

Вариант расположения червячной пары

о – отдушина, к – пробка для контроля уровня масла, с – пробка для слива масла.

Где используются редукторы?

Везде, где есть потребность в большой крутящем моменте на низких оборотах. На транспортерах, конвейерах, бетономешалках, насосах, подъемниках и электроприводах ворот, станках для металла и системах вентиляции.

Популярность модели обеспечивает ее универсальность и низкая цена. Такое устройство может позволить себе даже частное небольшое предприятие.

Примерные обозначения при заказе

Редуктор Ч-160-20-51-1-Ц-К-В-2-У2-С, где:

  • Ч – тип редуктора;
  • 160 – межосевое расстояние, мм;
  • 20 – номинальное передаточное число;
  • 51 – вариант сборки в соответствии с ГОСТ 20373;
  • 1 – вариант расположения червячной пары;
  • Ц – цилиндрический конец быстроходного вала;
  • К- конический конец тихоходного вала;
  • В- с вентилятором;
  • 2- категория точности редуктора;
  • У2 – исполнение для умеренного климата, категория размещения 2 по ГОСТ15150;
  • С – индекс, определяющий наличие в редукторе масла.
Назад
Выбор города