Ваш город:
Сызрань
Ваш город Сызрань?
Да Выбрать другой
Заказать звонок
Фильтр

Мотор – барабан типа МБ-4

Описание

Наименование параметра

Величина параметра

Частота вращения барабана, об/мин.

140±5

Допускаемый крутящий момент, Н*м

993

Комплектующий мотор-барабан двигатель ГОСТ Р51689

Тип

Мощность, кВт

Частота вращения, об/мин.

АИР 160 S4

15

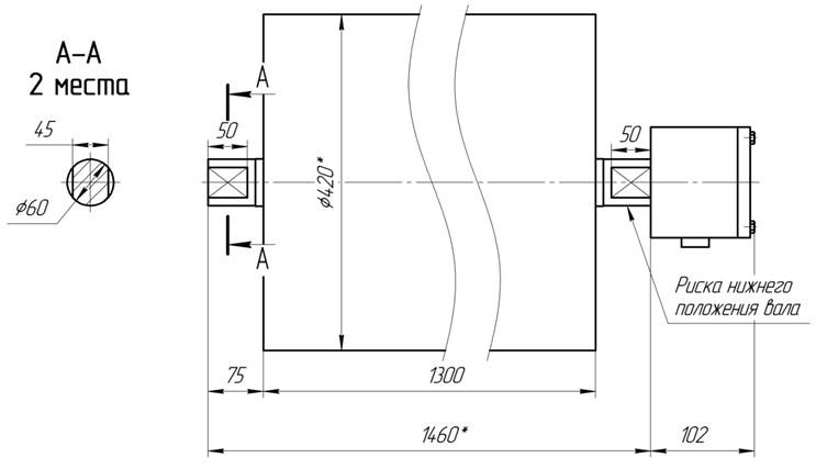
1460

Масса мотор – барабана без масла, кг

370

Скорость ленты, м/с

3,15±0,15

Длина барабана, мм

1300

Передаточное отношение

10,31

Габаритные и присоединительные размеры

Мотор-барабан МБ-4-1300-15,0-3,15-У1, где

  • МБ-4 – тип мотор барабана;
  • 1300 – длина барабана;
  • 15,0 – мощность электродвигателя (кВт);
  • 3,15 – скорость ленты (м/с);
  • У1 – климатическое исполнение по ГОСТ 15150-69;
  • S1 – продолжительность работы 8 – 24 ч/сут.;
Назад
Выбор города