Ваш город:
Сызрань
Ваш город Сызрань?
Да Выбрать другой
Заказать звонок
Фильтр

РМ-650 (750, 850, 1000)

Описание

Частота вращения входного вала об/мин РБ(max) РТ(max) РМ(max)
Редуктор РМ-650
600 4,5 114 113
750 4,3 110 106,3
1000 3,8 96 97,6
1250 3,35 90,5 89
1500 3,1 86,5 89
Редуктор РМ-750
600 6,7 105 113,3
750 6,3 97,5 105
1000 5,5 88,5 96,1
1250 5 81,5 89,7
1500 4,6 79 89,2
Редуктор РМ-850
600 14 150 163,2
750 13 137 152,2
1000 11,5 124 137,8
1250 10,5 119 127,8
1500 9,9 111 124,4
Редуктор РМ-1000
600 13 176 199
750 12 164 184,3
1000 10,5 150 168,2
1250 10 134 157
1500 9,1 128 154

Габаритные и присоединительные размеры

Тип aw aw2 L L1 L2 l l1 l2 l3 l4 l5 B B1 B2 B3 H H1 H2 h d Масса
РМ-650 650 400 1278 430 430 830 490 215 155 445 460 470 410 470 318 697 320 95 35 25 878
РМ-750 750 450 1448 450 475 1025 620 275 230 491 525 510 450 510 356 743 320 130 35 25 1030
РМ-850 850 500 1632 510 550 1100 610 300 205 546 530 580 520 580 408 875 400 105 35 32 1230
РМ-1000 1000 600 1896 550 695,5 1350 870 350 250 639 645 660 590 660 472 965 400 200 40 32 2122

Концы валов

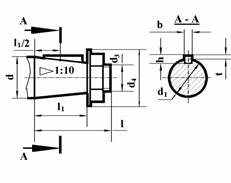
Размеры выходных валов.

Размеры выходных валов под муфты.

Тип d d1 d3 d4 l l1 b h t
РМ-650 60 54,75 М42х3 94 140 105 16 10 6
РМ-750 60 54,75 М42х3 94 140 105 16 10 6
РМ-850 90 83,5 М64х4 130 170 130 22 14 9
РМ-1000 90 83,5 М64х4 130 170 130 22 14 9

 

Тип d d1 b l t
РМ-650 125 145 32 165 136
РМ-750 110 130 28 165 120
РМ-850 130 150 32 200 141
РМ-1000 150 170 36 200 162

Размеры выходных валов в виде зубчатой муфты.

Тип m z b L L1 k B d d1
РМ-650 6 56 40 75 16 32 68 170 260
РМ-750 6 56 40 75 16 32 68 170 260
РМ-850 8 54 50 73 22 40 78 190 260
РМ-1000 10 48 60 70 16 50 85 200 280

Варианты сборки

I — с концами валов в виде части зубчатой муфты ; 
II — с концами под муфты;

Редуктор РМ-250-40-12У2 (-12МУ2), где:

  • РМ – тип редуктора;
  • 250 – общее межосевое расстояние;
  • 40 – номинальное передаточное число;
  • 12 – вариант сборки;
  • У1 – климатическое исполнение и категория размещения;
  • 12МУ2 – С концом выходного вала в виде части зубчатой муфты
Назад
Выбор города