Ваш город:
Сызрань
Ваш город Сызрань?
Да Выбрать другой
Заказать звонок
Фильтр

Планетарно-червячные редукторы ПЧ-50, ПЧ-100, ПЧ-125, ПЧ-160

Описание

iN n1 n2 пч-50 пч-100 пч-125 пч-160
Р1 Т2 η Р1 Т2 η Р1 Т2 η Р1 Т2 η
мин-1 кВт Н.м кВт Н.м кВт Н.м кВт Н.м
40 (5х8) 1500 37,5 0,6 110 0,76 2,9 607 0,82 5,1 1067 0,83 8,3 1767 0,84
1000 25 0,4 119 0,75 2,2 669 0,81 3,7 1155 0,82 6,9 2178 0,83
750 18,7 0,3 124 0,74 1,7 700 0,8 2,9 1200 0,81 5,6 2333 0,82
50 (6,3х8) 1500 30 0,5 116 0,76 2,5 645 0,81 4,2 1122 0,83 7,6 2059 0,84
1000 20 0,4 124 0,74 1,8 695 0,8 3,1 1192 0,81 5,8 2305 0,82
750 15 0,3 128 0,72 1,5 735 0,79 2,6 1315 0,8 4,9 2529 0,81
63 (8х8) 1500 23,8 0,4 118 0,73 2,2 677 0,76 3,5 1166 0,81 6,6 2215 0,82
1000 15,9 0,3 130 0,72 1,6 728 0,75 2,7 1293 0,78 5 2491 0,81
750 11,9 0,2 131 0,71 1,3 762 0,72 2,3 1407 0,75 4,1 2686 0,8
80 (5х16) 1500 18,8 0,3 115 0,72 1,7 640 0,74 2,7 1067 0,79 4,4 1800 0,81
1000 12,5 0,2 128 0,7 1,4 769 0,72 2,3 1333 0,75 3,6 2187 0,8
750 9,38 0,2 130 0,69 1,2 833 0,71 2 1467 0,72 2,9 2367 0,79
100 (6,3х16) 1500 15 0,3 126 0,7 1,5 720 0,73 2,5 1232 0,76 4 2034 0,8
1000 10 0,2 134 0,69 1,2 822 0,71 2,1 1443 0,73 3 2333 0,8
750 7,5 0,2 138 0,68 1 856 0,7 1,7 1559 0,71 2,6 2665 0,79
125 (8х16) 1500 12 0,2 131 0,69 1,3 785 0,72 2,2 1365 0,75 3,5 2223 0,79
1000 8 0,2 136 0,68 1 852 0,71 1,8 1541 0,72 2,7 2607 0,78
750 6 0,1 138 0,67 0,8 875 0,7 1,4 1633 0,71 2,3 2906 0,78
160 (5х31,5) 1500 9,4 0,2 117 0,68 0,9 653 0,71 2 1433 0,72 2,4 1867 0,77
1000 6,3 0,1 131 0,67 0,8 818 0,7 1,2 1322 0,71 2,1 2267 0,72
750 4,7 0,1 138 0,66 0,7 900 0,69 1 1433 0,7 1,7 2467 0,71
200 (6,3х31,5) 1500 7,5 0,2 126 0,66 0,9 755 0,69 1,4 1238 0,69 2,3 2115 0,74
1000 5 0,1 137 0,65 0,7 885 0,68 1,1 1413 0,68 1,8 2431 0,7
750 3,8 0,1 143 0,65 0,6 951 0,67 0,9 1571 0,67 1,6 2811 0,68
250 (8х31,5) 1500 6 0,1 133 0,6 0,8 837 0,63 1,3 1349 0,64 2,2 2315 0,65
1000 4 0,1 142 0,58 0,6 941 0,62 1 1545 0,63 1,8 2745 0,64
750 3 0,1 146 0,56 0,5 992 0,6 0,9 1682 0,61 1,6 3089 0,62

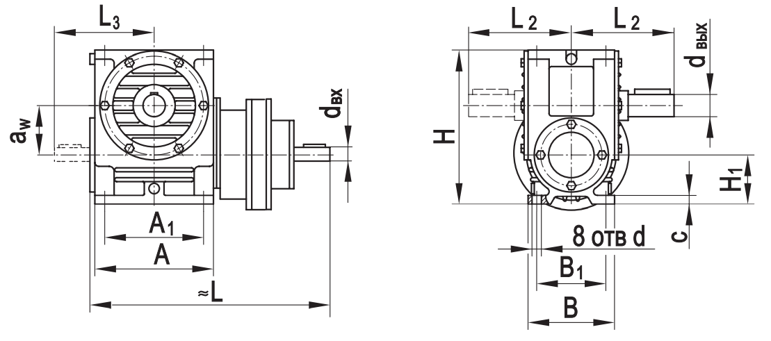
Габаритные размеры редуктора на лапах

Типоразмер аW А А1 В В1 L* L1max L2* L3*Н Н 1 сd d вх dвых
ПЧ­-50 50 135 110 135 110 340 446
473
110 115 174 40 12 10 16 25
ПЧ­-100 100 240 200 175 140 560 640
631
225 225 312 100 18 19 32 45
ПЧ­-125 125 275 230 230 190 630 802
827
230 261 396 111 22 19 32 55
ПЧ­-160 160 350 300 280 230 800 781
828
280 345 500 140 30 22 40 70

* Размеры приведены без учёта длины резьбового конца вала исполнения К2. 

 

Габаритные размеры редуктора на фланце

Типоразмер аW D D1 D2 H L* L1max L2* L3* L7 L8* c1 c2 d1 dвх dвых n
ПЧФ­-50 50 170 120 140 174 340 446
473
110 115 100 146 10 3,5 12 16 25 4
ПЧФ­-100 100 260 190 225 312 560 640
631
225 225 150 265 12 5 12 32 45 6
ПЧФ­-125 125 300 230 270 396 630 802
827
230 261 170 285 16 5 15 32 55 6
ПЧФ­-160 160 360 280 325 500 800 781
828
280 345 200 345 20 5 19 40 70 6

* Размеры приведены без учёта длины резьбового конца вала исполнения К2. 

Варианты сборки

Варианты расположения червячных передач

 

1. Червячный вал под колесом;
2. Червячный вал над колесом;
3. 4. Вал червячного колеса вертикальный;
5. 6. Червячный вал вертикальный.

Назад
Выбор города