Ваш город:
Сызрань
Ваш город Сызрань?
Да Выбрать другой
Заказать звонок
Фильтр

Лебедка червячная ЛЧ-0,5, ЛЧ-0,7, ЛЧ-1

Описание

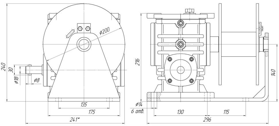
Размеры

Сведения об эксплуатации

Монтаж лебедки производится на горизонтальную опору. При эксплуатации лебедки необходимо:

  1. Не допускать подъем груза весом, превышающим номинальную грузоподъемность.
  2. Воспрещается косой подъем груза, подтаскивание по земле, производство работ, требующих неизвестного усилия.
  3. Не допускается раскачивание грузов.
  4. Техническое обслуживание редуктора 1Ч63АМ см. в паспорте.

Технические характеристики

ЛЧ-0,5-МК ЛЧ-0,7-МК ЛЧ-1-МК
Грузоподъемность, тс 0,5 0,7 1
Диаметр барабана, мм 60 60 82
Канатоемкость барабана, м 45 45 47
Диаметр каната, мм 6 6 8
Габаритные размеры лебедки 296х240х240 296х240х240 350х218х212
Масса лебедки без каната, кг 28 28 22

 

Назад
Выбор города