Ваш город:
Сызрань
Ваш город Сызрань?
Да Выбрать другой
Заказать звонок
Фильтр

Соосный цилиндрический мотор-редуктор 4МЦ2С-80

Описание

Описание товара временно отсутствует

Характеристики

Технические характеристики

Номинальная частота вращения выходного вала, об/минНоминальный крутящий момент на тихоходном валу, H*мРадиальная консольная нагрузка на конце тихоходного вала, НМасса без смазки, не более, кгТипоразмер двигателяМощность двигателяКПД мотор-редуктора, %, не менее
28 250 4000 36 АИР90LА8Р3 0,75 72
368 4800 40 АИР90LВ8Р3 1,1 74
35,5 292 4300
368 4800 37 АИР90L6Р3 1,5 73
45 230 3800 40 АИР90LВ8Р3 1,1 74
304 4400 37 АИР90L6Р3 1,5 73
56 242 3900 37 АИР90L6Р3 1,5 73
366 4800 36 АИР90L4Р3 2,2 78
46 АИР100L6Р3
71 190 3400 37 АИР90L6Р3 1,5 73
303 4300 36 АИР90L4Р3 2,2 78
46 АИР100L6Р3
393 5000 41 АИР100S4Р3 3,0 79
90 228 3800 36 АИР90L4Р3 2,2 78
46 АИР100L6Р3
310 4200 41 АИР100S4Р3 3,0 79
112 185 3400 36 АИР90L4Р3 2,2 78
250 4000 41 АИР100S4Р3 3,0 79
332 4600 47 АИР100L4Р3 4,0 82
125 230 3800 41 АИР100S4Р3 3,0 82
307 4400 47 АИР100L4Р3 4,0 82
140 256 4000 47 АИР100L4Р3 4,0 82
302 4800 51 АИР100L2Р3 5,5 85
180 200 3500 47 АИР100L4Р3 4,0 82
43 АИР100S2Р3 84
280 4200 51 АИР100L2Р3 5,5 85
224 165 3300 43 АИР100S2Р3 4,0 84
227 3800 51 АИР100L2Р3 5,5 85
280 127 2800 47 АИР100S2Р3 4,0 84
175 3300 51 АИР100L2Р3 5,5 85

Габаритные и присоединительные размеры

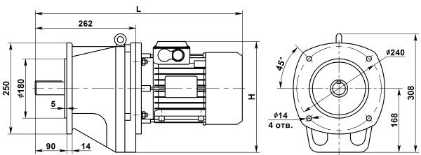
Исполнение на лапах

Мотор редуктор цилиндрический МЦ2С-80. Исполнение на лапах

Тип электродвигателяLH
90LA8; 90LB8;90L6; 90L4 590 305
100L6; 100L4; 100L2 635 317
100S4; 100S2 602

Фланцевое исполнение

Мотор-редуктор 4МЦ2С-63. Фланцевое исполнение

Тип электродвигателяLH
90LA8; 90LB8; 90L6; 90L4 590 305
100L6; 100L4; 100L2 635 317
100S4; 100S2 602 317

Варианты исполнения выходного вала мотор-редуктора

Конический выходной вал

Конический выходной вал мотор редуктора 4МЦ2С-80

Цилиндрический выходной вал

Цилиндрический выходной вал мотор редуктора 4МЦ2С-80

Монтажное исполнение

Монтажное исполнение 4МЦ2С 80

Характеристики

Похожие товары
Соосный цилиндрический мотор-редуктор 4МЦ2С-100

Мотор-редуктор 4МЦ2С-100 предназначен для работы с постоянной однонаправленной нагрузкой. Привод состоит из цилиндрического редуктора и электродвигателя (Able или Siemens) мощностью от 1,5 до 7,5 кВт. Агрегат обеспечивает передаточные числа в диапазоне 8-31,5.

Данный типоразмер — один из самых распространенных в серии 4МЦ2С.

Пример условного обозначения в заказе

Мотор-редуктор 4МЦ2С-100-71-5,5-G320-ЦУЗ-2-380 ТУ2.056.0221595.13-91

  • 4МЦ2С - тип мотор-редуктора
  • 100 - межосевое расстояние, мм
  • 71 - частота вращения выходного вала, об/мин
  • 5,5 - мощность электродвигателя, кВт
  • G320 - монтажное исполнение
  • ЦУ3 - цилиндрический выходной вал (Ц), климатическое исполнение (У), категория размещения (3)
  • 2 - категория точности
  • 380 - номинальное напряжение электросети, В
по запросу
Подробнее
Цилиндрический мотор-редуктор 4МЦ2С-63

Соосный мотор-редуктор 4МЦ2С-63 с двумя цилиндрическими ступенями отличается высокими эксплуатационными характеристиками, малошумностью, значительной нагрузочной способностью. Передаточные числа типоразмера — 7,1-31,5. Мощность привода 4МЦ2С-63 может варьироваться в диапазоне от 0,55 до 3 кВт.

Мотор редукторы выпускаются в двух вариантах крепления — с фланцем и на лапах. Агрегат может быть смонтирован в произвольном положении (горизонтальном, вертикальном, наклонном).

Пример условного обозначения в заказе

Мотор-редуктор 4МЦ2С-63-56-0,75-G310-ЦУЗ-2-380 ТУ2.056.0221595.13-91

  • 4МЦ2С - тип мотор-редуктора
  • 63 - межосевое расстояние, мм
  • 56 - частота вращения выходного вала, об/мин
  • 0,75 - мощность электродвигателя, кВт
  • G310 - монтажное исполнение
  • ЦУ3 - цилиндрический выходной вал (Ц), климатическое исполнение (У), категория размещения (3)
  • 2 - категория точности
  • 380 - номинальное напряжение электросети, В
по запросу
Подробнее
Соосный цилиндрический мотор-редуктор 4МЦ2С-125

Двухступенчатый цилиндрический мотор-редуктор 4МЦ2С-125 обеспечивает передаточные числа в диапазоне от 7,41 до 31,92. Привод рассчитан на продолжительную работу (режим S1) с постоянной нагрузкой 24 ч/сут. Мощность электродвигателя: 3 - 18,5 кВт. Максимальный крутящий момент — 1410 Н*м.

Мотор-редуктор 4МЦ2С-125 поставляется в двух монтажных исполнениях — с фланцем и на лапах. Исполнения выходного вала: конический, цилиндрический. Входной и выходной валы расположены соосно.

Пример условного обозначения в заказе

4МЦ2С-125-56-7,5-G310-ЦУЗ-2-380 ТУ2.056.0221595.13-91
4МЦ2С - тип мотор-редуктора
125 - межосевое расстояние, мм
56 - частота вращения выходного вала, об/мин
7,5 - мощность электродвигателя, кВт
G310 - монтажное исполнение
ЦУ3 - исполнение выходного вала (Ц), климатическое исполнение (У), категория размещения (3)
2 - категория точности
380 - номинальное напряжение электросети, В

по запросу
Подробнее
Назад
Выбор города